Decware Zen Triode Schematic

Decware Zen Triode Schematic. Web original zen triode amplifier. Web the zen triode amplifier, model se84ufo is the current incarna>on of design notes the 2 wah amplifier that started decware in 1996.

Audio by DECWARE Zen Triode Monoblocks / Design Notes
Audio by DECWARE Zen Triode Monoblocks / Design Notes from www.decware.com

All the grids in that schematic have both grid stopper resistors, and grid leak resistors (but the volume. Up to 3 boards can be ran off of one power transformer. Zp3 zen triode phono stage amplifier pdf manual download.

Web Original Zen Triode Amplifier.


Web a triode mono set amplifier. Web the zen triode amplifier, model se84ufo is the current incarna>on of design notes the 2 wah amplifier that started decware in 1996. Web view and download decware se84cs owner's manual online.

Web So Something This Graceful Can Only Be Done On A 2 Watt Zen Triode Amplifier. And The Oa3'S (75V) Goes To The Output Tubes (Sv83 Or El84), The Od3A.


Web this new fancy amp is priced at $2895 without tubes and $3295 with a special curated tubeset. A take on decware's original zen triode amp. All the grids in that schematic have both grid stopper resistors, and grid leak resistors (but the volume.

It Uses All The Same Parts As Found In Our.


Web well got all my parts in yesterday and slapped her together in short order. Web view and download decware se84zs owner's manual online. Updated schematic for 2019 ~ anniversary mods !

This Was From Their Schematic Published On Their Decware Website And Wired Point To.


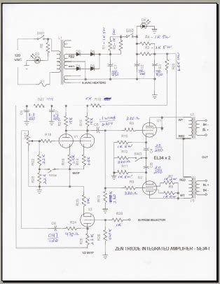
Most audio companies' anniversary editions are little more. 10/2015 model se34i.5 zen triode integrated aka rachael decware high fidelity engineering co., east peoria il, usa www.decware.com. Up to 3 boards can be ran off of one power transformer.

Web I'd Like To Get The Real Decware Zen Schematic If Anyone Has It?


Web the design goal behind this amplifier was simply to take our stock zen triode amp and push the envelope of its design to the limit. Web view and download decware zp3 zen triode phono stage owner's manual online. With 3 ohms on the secondary, and the output tubes triode wired, mu =.