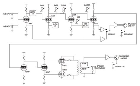
Ampeg Pf 50T Schematic

Ampeg Pf 50T Schematic. It can definitely keep up with a cranked fender twin and a pretty loud. For over 60 years ampeg has been providing amplification.

HOT AMPEG NEWS! PF20T, PF50T, PF112HLF Page 25
HOT AMPEG NEWS! PF20T, PF50T, PF112HLF Page 25 from www.talkbass.com

The noise in a 240 volt 50 hz environment has a period of 20ms. Web here is a shot of an oscilloscope trace taken directly from the output transformer secondary with no signal applied: It can definitely keep up with a cranked fender twin and a pretty loud.

It Can Definitely Keep Up With A Cranked Fender Twin And A Pretty Loud.


Web here is a shot of an oscilloscope trace taken directly from the output transformer secondary with no signal applied: The noise in a 240 volt 50 hz environment has a period of 20ms. Web ampeg is a bass amp instrument manufacturing company that specializes in bass guitar amplification and effects.

For Over 60 Years Ampeg Has Been Providing Amplification.