Crate Blue Voodoo Schematic

Crate Blue Voodoo Schematic. Web here you will find our collection of crate schematics. We had bv60, bv60h, bv120h, bv150h, and b300h.

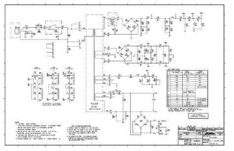
CRATE BLUEVOODOO 60W SM Service Manual download, schematics, eeprom
CRATE BLUEVOODOO 60W SM Service Manual download, schematics, eeprom from elektrotanya.com

32 crate blue voodoo 120 bias problem « on: Web view and download crate blue voodoo 50w instruction manual online. Do perform any beyond that explained in the operating instructions.

You Will Require Adobe Acrobat Pdf Readerto View These Schematics.


Bv120h musical instrument amplifier pdf manual download. Web crate blue voodoo schematics. Web 5.7k views 10 months ago.

February 24, 2012, 03:45:50 Pm » I Picked Up An Crate Amp Cheap At The Pawn Shop With Blown Power.


Web there were several specific models of the crate blue voodoo line. Do perform any beyond that explained in the operating instructions. Web view and download crate blue voodoo 50w instruction manual online.

32 Crate Blue Voodoo 120 Bias Problem « On:


Crate doesn't have the pdf versions of the them. Web this schematic rs provided for by personnel. Web the crate blue voodoo series is an all tube american made entry level guitar amplifier.

Web Level 1 Posts:


Bv60, bv60h, bv120h, bv150h, b300h. Web view and download crate blue voodoo 120 hbb instruction manual online. All of these pdf files are available for free download.

To Risk Of Clectric Shock.


We had bv60, bv60h, bv120h, bv150h, and b300h. The combo variant was the bv60 model. Web the paper crate blue_voodoo_120_hbb schematics service manual is a high quality, paperback booklet of the oem crate blue_voodoo_120_hbb.