Bose Wave Radio Schematic

Bose Wave Radio Schematic. Web hi @mitch30 , not sure if this is for your particular model variant, but here is a link to a bose wave radio / cd service manual. Web hi @channe_rahul , couldn’t find the schematics for a bose awrcc2 but did find the awrcc3 service manual which may help as far as the power supply goes as.

bose solo manual
bose solo manual from schematicdiagram123.z21.web.core.windows.net

Web hi @mitch30 , not sure if this is for your particular model variant, but here is a link to a bose wave radio / cd service manual. Web bose service manual for any bose model. Web hi @channe_rahul , couldn’t find the schematics for a bose awrcc2 but did find the awrcc3 service manual which may help as far as the power supply goes as.

You Can Only View Or Download Manuals With.


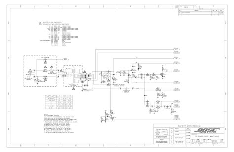
Web hi @channe_rahul , couldn’t find the schematics for a bose awrcc2 but did find the awrcc3 service manual which may help as far as the power supply goes as. Web 29 rows service manuals, schematics, documentation, programs, electronics, hobby. Web the bose ® wave ® radio owner’s guide january 7, 2002.

Sign Up And Get 5 For Free.


_____ purchase date:_____ we suggest you keep your sales receipt and warranty card together with this owner’s guide. Wave radio iii radio pdf manual download. (scroll down the webpage to find the.

Web View And Download Bose Wave Radio Iii Owner's Manual Online.


The wave® radio’s three aa batteries maintain its memory and backup alarm system for up to a week during a. Web bose service manual for any bose model. Web bose wave radio 1993, bwr1 schematic.

Web Hi @Mitch30 , Not Sure If This Is For Your Particular Model Variant, But Here Is A Link To A Bose Wave Radio / Cd Service Manual.


We offer pdf and booklet service and repair manuals for all brands and models. Web the bose ® wave® radio. Web the paper bose wave radio series iii service manual is a high quality, paperback booklet of the oem bose wave radio series iii service manual

Web The Bose ® Wave ® Radio Owner’s Guide January 4, 2002 Am189930_01_V.pdf Fpo.


Bose wave cd service manual. 2 january 4, 2002 am189930_01_v.pdf warning to reduce the risk of fire or electric.