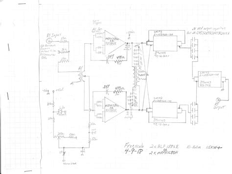
Blf188Xr Hf Amplifier Schematic

Blf188Xr Hf Amplifier Schematic. Figure 3 — amplifier with front panel tilted down. Product profile 1.1 general description a 1400 w extremely rugged ldmos power transistor for broadcast and industrial applications in the hf to 600 mhz band.

1kW 1.830MHz, 700W 50MHz HF POWER AMPLIFIER BOARD for LDMOS BLF188XR
1kW 1.830MHz, 700W 50MHz HF POWER AMPLIFIER BOARD for LDMOS BLF188XR from dn-radio.com

Web this 1400 w extremely rugged ldmos power transistor for broadcast and industrial applications in the hf to 600 mhz band. Heat sink and copper plate shown in photos are not included. A schematic and some construction photos are on my website.

Already Soldered In Place On The Copper Heat.


Web i purchased the blf188xr ldmos chip figure 2 — amplifier rear panel. Web blf188xr ldmos hf linear amplifier dx world electronics 955 subscribers subscribe 47 share save 5.5k views 4 years ago testing blf188xr hf linear. Figure 3 — amplifier with front panel tilted down.

Web Freescale Design 2 X Blf188Xr Hf Amplifier.


A schematic and some construction photos are on my website. Product profile 1.1 general description a 1400 w extremely rugged ldmos power transistor for broadcast and industrial applications in the hf to 600 mhz band. Heat sink and copper plate shown in photos are not included.

The Blf188Xr And Blf188Xrs Are Capable Of.


Web this rf amplifier board is made in the usa and includes 1 genuine ampleon blf188xr ldmos transistors. Web use for ldmos blf188xr / mrf1k50 / mrfx1k80. Web this 1400 w extremely rugged ldmos power transistor for broadcast and industrial applications in the hf to 600 mhz band.

1200W Ldmos Hf/6M Amplifier Kit.


A 1400 w extremely ruggedldmos power transistor for broadcast and industrial applications in the hf to 600 mhz band. Use for ldmos blf188xr / mrf1k50 / mrfx1k80.