Case 1845C Hydraulic Schematic

Case 1845C Hydraulic Schematic. Web hydraulic schematic 1845c skid steer additional copies of this hydraulic and electrical schematic can be ordered through technical publications. English number of pages :

Case 1845c hydraulic diagram
Case 1845c hydraulic diagram from b-beton.ru

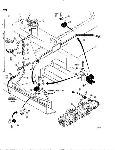
Web case 1845c skid steer hydraulic hoses 8 products below is a diagram of the various hoses on the case 1845c skid steer. Web sbc aernator wiring diagram. English number of pages :

Manual Contains Illustrations, Instructions, Diagrams For Step By Step Remove And Install, Assembly And.


Web sbc aernator wiring diagram. 12.67 $37.76 add to cart bll2360fn long life outer. Case skidsteer 1845c walk around and some specs.

Web Hydraulic Schematic 1845C Skid Steer Additional Copies Of This Hydraulic And Electrical Schematic Can Be Ordered Through Technical Publications.


Web hydraulic schematic 1845c skid steer additional copies of this hydraulic and electrical schematic can be ordered through technical publications. Web case 1845c skid steer loader hydraulic schematics. Web factory service manual for case 1845c skid steer loader.

Web Chains And Axle Housings Planetaries Drive Coupling Wheels And Tires Hydraulics How It Works Removal And Installation Of Hydraulic Components Hydraulic System.


Web case 1845c skid steer hydraulic hoses 8 products below is a diagram of the various hoses on the case 1845c skid steer. Each product has a more detailed diagram to. Web read case 1845c skid steer service repair manual by ng14gt4 on issuu and browse thousands of other publications on our platform.

Without The Authorization Of J.i.


Web case 1845c skid steer. Picture is for reference only. Web case 1845c wiring diagramcase 1845c wiring harnesscase 1845c service manualcase 1845c user manualcase 1845c manual bookscase 1845c schematic diagram.

General Engine Fuel System Electrical Power Train Hydraulics Mounted Equipment Hydraulic And Electrical Schematic Foldout *****.


Schematics are in pdf file, and are very detailed and clear. English number of pages : Case 1845c skid steer loader pages: