Arduino Mega 2560 Ch340 Schematic Pdf

Arduino Mega 2560 Ch340 Schematic Pdf. Comparison with standard mega 2560: Web arduino mega 2560 datasheet.

Arduino Mega 2560 Ch340 Schematic Pdf Wiring View and Schematics Diagram
Arduino Mega 2560 Ch340 Schematic Pdf Wiring View and Schematics Diagram from www.wiringview.co

Web r e f e r e n c e u d e s i g n s a r e p r o v i d e d a s i s a n d w i t h u a l l t f a u l t s. Comparison with standard mega 2560: It has 54 digital input/output pins (of which 15 can be used as pwm outputs), 16 analog inputs, 4.

R A R D U I N O S A D I S C L A I M S A L L O T H E R A W A.


Comparison with standard mega 2560: Web on the arduino website, the official schematics for uno and nano are published. The document has moved here.

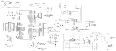
Web The Schematic Diagram Of Atmel Mcu Atmega16U2 Mega 2560 R3 Improved Version Ch340G Board Is As Shown In Fig.


It has 54 digital input/output pins (of which 14 can be used as pwm outputs), 16 analog. Web page 2 eagle files: Arduino mega 2560 schematic and inverter updated resources easyeda.

Web Hello All, I Want To Develop My Own Arduino Mega Board , I Refered Schematic Available On Arduino Website Along With Eagle File , In This Schematic.


I think he wanted to know about. The maximum length and width of the mega r3. Overview the arduino mega 2560 is a microcontroller board based on the atmega2560 (datasheet).

Web Arduino Mega 2560 Datasheet.


Web arduino mega 2560 r3 board ch340 lampatronics. It has 54 digital input/output pins (of which 15 can be used as pwm outputs), 16 analog inputs, 4. Arduino mega 2560 specifications with diagrams and pin descriptions

Web R E F E R E N C E U D E S I G N S A R E P R O V I D E D A S I S A N D W I T H U A L L T F A U L T S.


So go ahead and take inspiration from them. Web the arduino mega 2560 is a microcontroller board based on the atmega2560 (datasheet). Web the arduino mega 2560 is a microcontroller board based on the atmega2560.