Collins 30S 1 Schematic

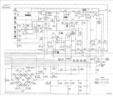
Collins 30S 1 Schematic. It comes with an 11 x 17 foldout schematic diagram. The 160m mod is practical only for input circuits using simple wafers.

Collins 30S1 Linear Amplifier. Collins 30S1 Amp
Collins 30S1 Linear Amplifier. Collins 30S1 Amp from www.universal-radio.com

Each component of the amplifier was checked for conformance with the collins specification,. Web seeing the actual jumpers now, and viewing the schematic while working on the fuses/wiring suggested an error. It comes with an 11 x 17 foldout schematic diagram.

Web I Printed The Schematics, Figured Out How To Remove The Relay Shelf, And Began:


Another invaluable checklist item was a copy of the complete schematic. Web collins radio equipment manuals. The 1964 manul i am using differs from.

It's A High Resolution Manual With An 11 X 17 Foldout Schematic Diagram.


The 160m mod is practical only for input circuits using simple wafers. Each component of the amplifier was checked for conformance with the collins specification,. Web seeing the actual jumpers now, and viewing the schematic while working on the fuses/wiring suggested an error.

The Cca Is Actively Digitizing The User/Technical Manuals For Collins Radio’s Most Popular Equipment Used For Amateur Radio Purposes.


Amateur hf linear power amplifier: It comes with an 11 x 17 foldout schematic diagram.