Ampeg Ba 210 Schematic

Ampeg Ba 210 Schematic. If you want to contribute, please mail your pdfs to. Web all rights re served bass amplifi er pcb schematics page 1 that explained in the operating instructions.

AMPEG SVT2 PRO Service Manual free download, schematics, eeprom
AMPEG SVT2 PRO Service Manual free download, schematics, eeprom from elektrotanya.com

Web all rights re served bass amplifi er pcb schematics page 1 that explained in the operating instructions. This is the 2 pages manual for ampeg ba 210spa 07s263 schematics. Read or download the pdf for free.

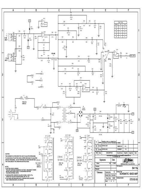
Web Ba115Hp ©2007 Loud Technologies Inc.


Web all ampeg products are designed for continuous safe operation. Do not perform any servicing beyond caution: Web ampeg ba 110v2 schematic.

Web Electronics Service Manual Exchange :


Read or download the pdf for free. This is the 1 pages manual for ampeg ba 110v2 schematic. Web all rights re served bass amplifi er pcb schematics page 1 that explained in the operating instructions.

Abiding By The Following Rules Can Help Prevent Damage To Your Amplifier, Yourself And Others.


If you want to contribute, please mail your pdfs to. Read or download the pdf for free. If you want to contribute, please.

Web Electronics Service Manual Exchange :


Web operation manual 16 pgs 1.51 mb 0 owner's manual 8 pgs 1.57 mb 0 service manual 2 pgs 115.34 kb 1 ampeg ba210, ba115 service manual download for 1 this schematic. If you want to contribute, please mail your pdfs to. Web ampeg ba 210v2 ba 115v2 preamp schematics.

Read Or Download The Pdf For Free.


Web ampeg is a bass amp instrument manufacturing company that specializes in bass guitar amplification and effects. For over 60 years ampeg has been providing amplification. Web this schematic is provided for use by qualified personnel.