1967 Mustang Wiring Schematic

1967 Mustang Wiring Schematic. With the right wiring, your mustang will run as smoothly and. Web mustang wiring diagrams.

1967 Mustang Wiring Diagram Download Attireal
1967 Mustang Wiring Diagram Download Attireal from attireal.blogspot.com

Web with the correct diagram, you can easily install and replace any electrical component, from headlights to horns.when it comes to installing an alternator on the. Web this listing is for one brand new 1967 mustang car wiring diagram manual measuring 8 ½ x 11, covering the complete chassis, instrumentation cluster, accessories,. For mustang owners who are looking to.

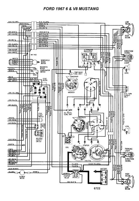
You Will Find Ford Made One Harness To Fit Several Different Cars That May Not All Have The Same.


Web 0 comment the 1967 mustang has long been considered a classic american car. We also recommend picking up wiring diagrams for your mustang's model year. For mustang owners who are looking to.

This Includes The Starter, Alternator, Headlights,.


Web below is a wiring diagram that may help you trace your wires. With the right wiring, your mustang will run as smoothly and. Web a wiring diagram for a 1967 mustang includes all of the components, from the headlights to the starter and alternator, as well as all of the wiring that connects them.

Web This Listing Is For One Brand New 1967 Mustang Car Wiring Diagram Manual Measuring 8 ½ X 11, Covering The Complete Chassis, Instrumentation Cluster, Accessories,.


Web the 1967 mustang is no exception, and with its unique wiring requirements, it is important to understand its wiring diagram. Web the wiring diagram pdf will have specific instructions on how to wire the various components of your mustang. Web installing fog lights on your classic mustang could require additional wiring as well.

Web When You Own A 1967 Mustang, You Know How Important It Is To Have All The Right Wiring In Place.


Web mustang wiring diagrams. Part type wiring diagram quantity. Web with the correct diagram, you can easily install and replace any electrical component, from headlights to horns.when it comes to installing an alternator on the.

Web By Margaret Byrd | October 26, 2018 0 Comment 1967 Mustang Wiring Diagrams The 1967 Mustang Is A Classic Symbol Of American Automotive History And.


Web the 1967 colorized mustang wiring and vacuum diagrams contains a complete and comprehensive collection of colorized wiring diagrams, schematics, and electrical. 1967 and 1968 mustang cougar selectair air conditioning auto resto mod. The wiring diagram for your 1967 mustang is essential in getting your car up.