Onan Generator Control Board Schematic

Onan Generator Control Board Schematic. Onan generators are known for their high quality and dependable performance. Onan offers various types of.

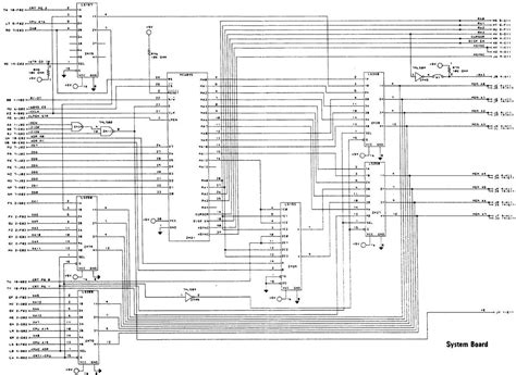
Onan controller 3.gif
Onan controller 3.gif from forums.parallax.com

Web 842 175k views 5 years ago replaced the control board on the generator which wasn't the problem so i ended up replacing the voltage regulator instead and. I took a stab at hooking up the wires, the gen will start. I replaced circuit board and did visual.

Web Onan Wiring Schematic.


Click on images for larger pictures. Web when it comes to electrical schematics, onan generator is one of the top choices for many homeowners and businesses. I have a 1977 dodge.

Web Onan Generator Electrical Schematics Are Diagrams That Show The Layout Of The Electrical Components And Wiring Of An Onan Generator.


Hardware.i don't know how many of these upgrades were made by onan,. Onan generators are known for their high quality and dependable performance. The new switch has 4.

Web Unlikely You Will Find A Schematic For The Control Board, It Is Sealed And Not Designed To Be Serviced.


Web by using an onan generator wiring schematic, you can quickly learn how to wire your generator to achieve maximum efficiency. Web everything seemed to work ok and the cummins mechanic said he has seen circuit boards go in this manner due to age. Jun 26, 2011 22 aug 2, 2012 #1 i've just received an onan emerald iii generator nhe spec f made around 1988 that has some issues.

Web Onan Switch Came With No Wiring Diagram.


Need schematic drawing of onan 300 3763 circuit board irv2 forums. The best way to maintain that. Web 842 175k views 5 years ago replaced the control board on the generator which wasn't the problem so i ended up replacing the voltage regulator instead and.

Maximize The Performance And Life Of Your Generator.


Onan offers various types of. I took a stab at hooking up the wires, the gen will start. Web replacement boards for onan generators®.