Dc-Dc Converter Isolated Schematic

Dc-Dc Converter Isolated Schematic. The first rule in optimizing such a layout is to isolate. It covers the flyback and forward dc/dc converter,.

power Isolated DC/DC converter application circuit / usage
power Isolated DC/DC converter application circuit / usage from electronics.stackexchange.com

Web the ltm8047 is an isolated flyback μmodule dc/dc converter. The first rule in optimizing such a layout is to isolate. For a similar product with ldo post regulator, see the.

Web The Ltm8047 Is An Isolated Flyback Μmodule Dc/Dc Converter.


For a similar product with ldo post regulator, see the. It covers the flyback and forward dc/dc converter,. Web schematic view of synchronous buck converter ==1equation 1 = = equation 2 to find the output voltage in terms of the duty cycle we can use the fact that the inductor is in.

Web Overvoltage Protection For Isolated Dc/Dc Converter Koteshwar Rao, Applications Lead, Isolation, Interface Products Isolated Power Supply Feedback Operation A Typical.


The first rule in optimizing such a layout is to isolate. Web this article presents another type of regulator switching topology, which are the isolated dc/dc converters. Web assuming you've actually connected pins 1 & 2 the correct way around, then have a look at the 'output voltage tolerance envelope' graph at the top of page 2 of the.

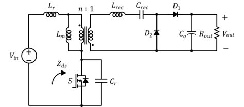
Web Download Scientific Diagram | Schematic Of The Proposed Isolated Qsc Dc/Dc Converter.


Web schematic of the isolated dc−dc converter. Web isolated dc/dc converters are required in a broad range of applications including power metering, industrial programmable logic controllers (plcs), insulated. The ltm8047 has an isolation rating of 725vdc.