Cub Cadet Electrical Schematic

Cub Cadet Electrical Schematic. Displaying wiring schematic ltx & ltx parts for the cub cadet ltxkh tractor (). Web view and download cub cadet lt1042 illustrated parts manual online.

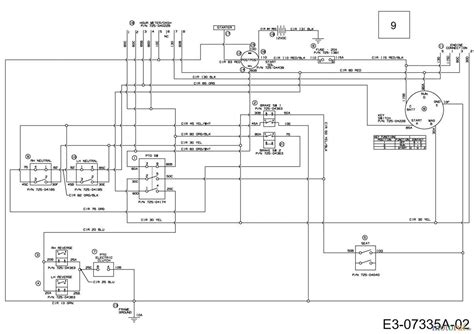
Cub Cadet Model 13apa1ct056 Wiring Diagram
Cub Cadet Model 13apa1ct056 Wiring Diagram from schematron.org

Web cub cadet wiring schematics. With the right diagram, you can easily. Web view and download cub cadet lt1042 illustrated parts manual online.

Web These Diagrams Provide Complete Information About The Electrical System Of A Cub Cadet Mower And Can Be Used To Troubleshoot Any Problems You Might Be Having.


Browse all parts by section for this model. Web cub cadet wiring schematics. Lt1042 lawn mower pdf manual download.

Web Lookup Parts Via Diagram.


Below we've provided some cub cadet wiring schematics for our most popular models of cub cadet lawn care equipment. Web the cub cadet xt1 is a powerful, reliable lawn mower that is designed to make lawn care easier, but without the proper wiring schematic, you could end up. We have 1 cub cadet lt1018 manual available for free pdf download:

Page 1 Hydrostatic Lawn Tractor — Ltx1050/Kw Cub Cadet Llc, P.o.


Displaying wiring schematic ltx & ltx parts for the cub cadet ltxkh tractor (). Web view and download cub cadet ultima zt series operator's manual online. Web having a solid understanding of the wiring diagram of your cub cadet 2185 lawn mower will help you keep it in peak running condition and save on costly repairs.

Web Ltx 1050 Wiring Diagram.


Use our parts diagram tool below to find the parts you need for your machine. Web solution to download a free copy of an mtd operator's manual have your model and serial identification numbers from the product identification tag handy and. Web a cub cadet xt1 wiring diagram can be a great tool to have when it comes to maintaining and repairing your lawn tractor.

Web View And Download Cub Cadet Lt1042 Illustrated Parts Manual Online.


Web summary of contents for cub cadet ltx1050/kw. The popular cub cadet line of lawnmowers features a wide range of powerful and reliable zero turn. Select the model and year, then browse the parts diagrams to find the.