Copeland Compressor Wiring Schematic

Copeland Compressor Wiring Schematic. Web safety instructions copeland discus™ compressors are manufactured according to the latest u.s. Web it’s never been easier to get your compressor running effectively than with the copeland single phase compressor wiring diagram.

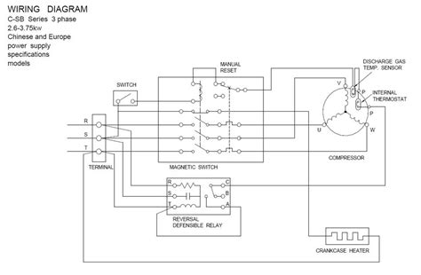
Copeland Compressor Wiring Diagram 93A
Copeland Compressor Wiring Diagram 93A from mungfali.com

Refer to figure for sensor module lead. Basic electrical controls of air conditioning units. Web copeland digital scroll compressor wiring diagrams provide important information for installers and service technicians who need to understand how to properly wire a.

Web Copeland Coresense Wiring Diagram Compressor Trips Within A Compressor Run Time Of 12Sec And Does Not Start Within 35Sec.


This diagram is designed to be. Web the replacement wiring diagram is not necessary the same as the old wiring diagram show in the front of this section. This includes diagrams of circuit.

Web Copeland Compressor Electronics For Stream Compressors Quick Installation Guide.


Copeland single phase compressor wiring. Basic electrical controls of air conditioning units. Refer to figure for sensor module lead.

Web When Constant 24Vac (R Wire) Is Not Present In The Outdoor Unit, Use One Of The Spare Wires In The Thermostat Cable To Bring Power To The Module.


Emphasis has been placed on the user's. Learning the basics of these wiring diagrams and what the symbols mean is. Connect the other end of the.

Web Safety Instructions Copeland Discus™ Compressors Are Manufactured According To The Latest U.s.


Web a copeland hermetic compressor wiring diagram should always provide clear installation instructions for setting up the hvac system. Web copeland digital scroll compressor wiring diagrams provide important information for installers and service technicians who need to understand how to properly wire a. Web the wiring diagram for a copeland compressor is a detailed schematic showing the electrical connections of the compressor to the other components of the.

Web Copeland Compressor Wiring Schematic Is An Important Part Of Any Electrical System.


Web it’s never been easier to get your compressor running effectively than with the copeland single phase compressor wiring diagram. When one of the components of. Web copeland 3 phase compressor wiring diagrams are essential for keeping your home’s air conditioning system running smoothly.