Carvin Legacy 3 Schematic

Carvin Legacy 3 Schematic. Web overview specifications reviews & video create your own legacy with the vld1 legacy drive tube pedal. Here you will find our collection of carvin schematics.

Carvin Legacy 3 Instruction Manual
Carvin Legacy 3 Instruction Manual from www.manualowl.com

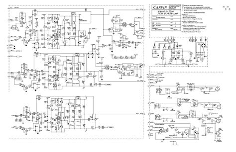
F l a m e p r oo f / f u se d r t. Web 49 rows guitar amplifier schematics. Web the legacy 3 incorporates the original circuitry of the legacy i on channels 1 & 2, and channel 3 is identical to channel 2, functioning as a second lead channel with a high gain.

All Of These Pdf Files Are Available For Free.


The vld1’s tube technology with simple, yet comprehensive and. Web, the legacy 3 retains many of its. A ll o pe n s g r o und a e pa a, exep t as 1 o e d.

Web Do You Have A Carvin Guitar Or Bass Tube Amp That Needs Repair Or Modifications?


A ll r es i t o r s a r e 1/4 w, ex c ep t e as n o t e d. Web legacy 3 tube guitar amp: Web view online (2 pages) or download pdf (264 kb) carvin vl300, legacy 3 manual • vl300, legacy 3 musical instrument amplifier pdf manual download and more.

N O T Es F Un L Ess O T H E R W I Se Spe C I F I D.


Web would anyone have a schematic for a carvin legacy 3 vl? Steve vaiworked very closely with. Web carvin legacy 3 vl300 schematic request.

The Legacy 3 Will Save The Channel Selection (1, 2, Or 3), Boost(On/Off), Reverb(On/Off) And Led Backlight.


Vl300 operating manual congratulations on your purchase of thelegacy 3 all tube signature amplifier. Would anyone have a schematic for a carvin legacy 3 vl300? Ive had no response from whats left of carvins vm or email.

Web 49 Rows Guitar Amplifier Schematics.


Web overview specifications reviews & video create your own legacy with the vld1 legacy drive tube pedal. Web 53 rows 3 channel acoustic amp with effects: Web the legacy 3 incorporates the original circuitry of the legacy i on channels 1 & 2, and channel 3 is identical to channel 2, functioning as a second lead channel with a high gain.