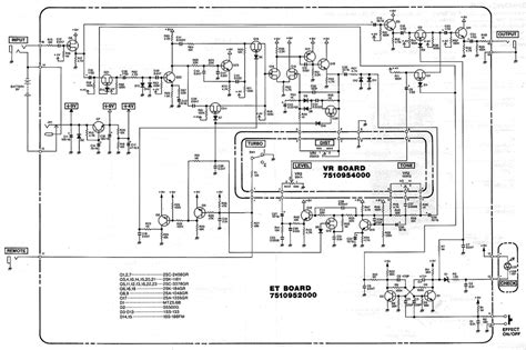
Boss Ds 2 Schematic

Boss Ds 2 Schematic. Web wiring boss ds 2 schematic boss ds 2 schematic february 23, 2018 a clear knowing of how a wiring system works is helpful lore when you install any wiring. This is the 1 pages manual for boss ds 2 turbo distortion schematic.

Boss_SD2_schematic.jpg Photo by kupervaser Photobucket
Boss_SD2_schematic.jpg Photo by kupervaser Photobucket from s642.photobucket.com

Web boss ds 2 turbo distortion schematic. Subscriptions are now available, for image uploads and no ads. This is the 1 pages manual for boss ds 2 turbo distortion schematic.

Subscriptions Are Now Available, For Image Uploads And No Ads.


If you want to contribute, please. This is the 1 pages manual for boss ds 2 turbo distortion schematic. Read or download the pdf for free.

Web Boss Ds 2 Turbo Distortion Schematic.


Boss ds 2 turbo distortion. Web service manual and diagrams of equipment and musical instruments of boss. Web wiring boss ds 2 schematic boss ds 2 schematic february 23, 2018 a clear knowing of how a wiring system works is helpful lore when you install any wiring.

Scribd Is The World's Largest Social Reading And Publishing Site.


Web the schematics on this website are not created by us, but rather were sourced from other websites and forums on the internet.