Boss Bd 2 Schematic. Sure, as long as you don't directly post any of his documentation (scans,. If you want to contribute,.

If you want to contribute,. Web boss bd 2 schematics. Web boss blues driver schematic by demian1sanputta.
Boss Bd 2 Schematic. Sure, as long as you don't directly post any of his documentation (scans,. If you want to contribute,.

If you want to contribute,. Web boss bd 2 schematics. Web boss blues driver schematic by demian1sanputta.
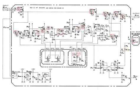
Web the schematics on this website are not created by us, but rather were sourced from other websites and forums on the internet. I have a blues driver laying around that im not very happy with the sound. This is the 5 pages manual for boss bd 2 blues driver service manual.
Web the cobalt schematic is shown below. Sure, as long as you don't directly post any of his documentation (scans,. If you want to contribute,.
Web looking at the schematic we see that it is essentially two cascaded discrete opamps, which are then followed by a standard opamp for gain recovery, bass boosting,. Boss bd 2 blues driver. This is the 1 pages manual for boss bd 2 schematics.
Read or download the pdf for free. Web boss blues driver schematic by demian1sanputta. Read or download the pdf for free.
Web nov 28, 2012.