Bobcat S250 Electrical Schematic

Bobcat S250 Electrical Schematic. Web bobcat loader s250 s300 hydraulic & electrical schematic size : Factory file allows you to find the.

Electric Diagram Bp 1716
Electric Diagram Bp 1716 from userpartblack101.z1.web.core.windows.net

Posted on august 12, 2022 by sam. I have a few wires coming out of one of the larger black plugs that has approximately 24 wires coming out of. Web bobcat loader s250 s300 hydraulic & electrical schematic.

That’s Why It’s Essential To Have A Reliable And Accurate Electrical.


Web electronic guide is presented in pdf format. Web but like any machine, the bobcat s250 skid steer is only as good as its electrical wiring. Web bobcat loader s250 electrical and hydraulic schematic size:

Pdf (Bookmarked, Toc, Searchable, Printable, High Quality) Language:.


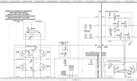
Bobcat s250 hydraulic schematic v 0139 2. Bobcat loader s250 s300 hydraulic & electrical schematic. We recommend using adobe pdf reader, to be sure all images/graphics will display correctly.

Web Components Of The S250 Skid Steer Wiring Diagram.


Posted on august 12, 2022 by sam. Web s250 specifications download pdf units metric s250 key specifications horsepower 75 hp rated operating capacity (iso) 2,500 lb operating weight 7723 lb auxiliary high flow. Bobcat s250 electrical schematic v 0148 6.

Web Bobcat Loader S250 S300 Hydraulic & Electrical Schematic.


Manuals are printed on demand, giving you the most current. Web a bobcat wiring diagram is essentially a schematic representation of the various electrical components and their connections within a bobcat machine. Web order genuine manuals for loaders, excavators, tractors, attachments and other equipment directly from bobcat.

Web Bobcat Loader S250 S300 Hydraulic & Electrical Schematic Size :


The wiring diagram for the s250 skid steer includes the main components of the machine. Web advanced hydraulic control module. I have a few wires coming out of one of the larger black plugs that has approximately 24 wires coming out of.