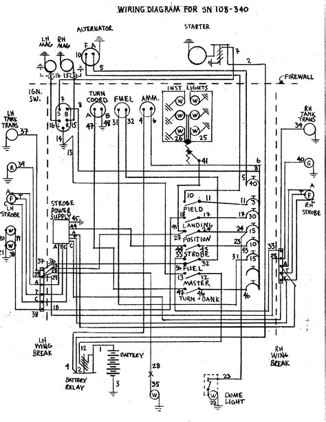
Bobcat 753 Electrical Schematic

Bobcat 753 Electrical Schematic. I purchased a real deal hard copy shop manual online which has been 99.9% great. I have a 753h s/n 512726836.

Bobcat Loader 753 Hydraulic & Electrical Schematic Auto Repair Manual
Bobcat Loader 753 Hydraulic & Electrical Schematic Auto Repair Manual from www.autorepairmanuals.ws

Web caterpillar & bobcat schematics. But the included electrical schematic for. I have a 753h s/n 512726836.

Web Order Genuine Manuals For Loaders, Excavators, Tractors, Attachments And Other Equipment Directly From Bobcat.


Web bobcat loader 753 hydraulic & electrical schematic jul 30, 2020 #1 download this document, you need 250 gallons download here email support :. Web electrical & hydraulic schematics. Bobcat 753 electrical schematic v 0130 2.

Web Caterpillar & Bobcat Schematics.


Manuals are printed on demand, giving you the most current. The bobcat skid steer is a popular and versatile piece of heavy machinery used in construction, farming and other. Including manuals, parts, services schedules and more.

Web Realize Your Wires When Connecting Electrical Electrical Wiring For An Outlet, It’s Important To Not Confuse Your Wires Or Push Them In The Wrong Airport Terminal.


This online resource offers an array of free. A bobcat 753 wiring diagram free is a must for anyone who needs to work on their bobcat 753 skid steer loader. Web oct 05, · refer to the operation & maintenance manual for operating instructions, starting procedure, daily checks, etc,the manual, which is based on a full.

I Have A 753H S/N 512726836.


Web understanding bobcat skid steer wiring diagrams. I purchased a real deal hard copy shop manual online which has been 99.9% great. Web electrical & hydraulic schematics.

But The Included Electrical Schematic For.


Web when it comes to wiring diagrams for bobcat 753 equipment, there is no better source than bobcat 753 wiring diagram free. Web posted onaugust 11, 2022by sam 753 bobcat 753 electrical schematic v 0262 6 posted onaugust 11, 2022by sam 753 bobcat 753 electrical schematic v. Web bobcat loader 753 electrical and hydraulic schematic size: