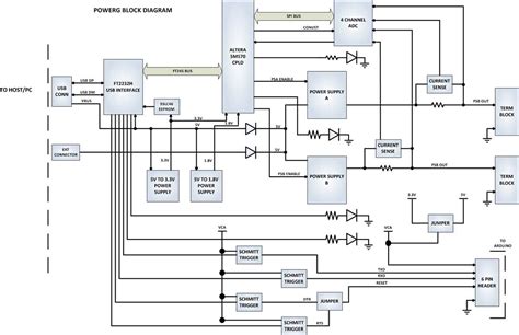
Block Diagram Vs Schematic

Block Diagram Vs Schematic. The block diagram (figure \(\pageindex{3}\)), also called a functional block diagram, is used to describe the sequence of circuit operations. Web overall, a block diagram is a great way to provide an overview of a system, while a schematic provides a more detailed representation of the individual components,.

Block diagram Steen Frank Jensen
Block diagram Steen Frank Jensen from steenfrankjensen.com

Web the main difference between these two types of diagrams is that schematic diagrams focus on the overall functionality of a system, while block. Input and output elements of a block pictured with lines; A diagram showing in schematic form the general arrangement of the parts or components of a.

Web A Functional Block Diagram Operates At One Level Of Abstraction Higher Than An Electrical Schematic.


Web the main difference between a schematic diagram and a block diagram is the level of detail. Web january 1, 2023 by gracia grace block diagrams and schematics are two of the most common ways to visualize and describe systems. Input and output elements of a block pictured with lines;

Schematic Diagrams Are More Detailed And Precise Than Block.


The block diagram (figure \(\pageindex{3}\)), also called a functional block diagram, is used to describe the sequence of circuit operations. Functions of a system pictured by blocks; Web why do so many people advertise block diagrams as schematics.

An Example Of This Is The Wiring Diagram.


Web if you’re wondering what is a circuit schematic (also called simply a schematic), it’s important to distinguish this from a block diagram and circuit diagram. It is unconcerned with specific electrical connections and wiring;. They are not the same.

I Was Just Looking For An Actual Schematic.


Web a block diagram, on the other hand, is a diagram that shows different parts of a system without going into great detail. A diagram showing in schematic form the general arrangement of the parts or components of a. Truly expansive schematics should be split into functional blocks.

While Both Have Their Unique.


There might be a section for power input and voltage regulation, or a. Web the main difference between these two types of diagrams is that schematic diagrams focus on the overall functionality of a system, while block. Web block diagrams and schematic diagrams are both graphical representations of complex systems or processes using interconnected blocks, lines, and arrows.