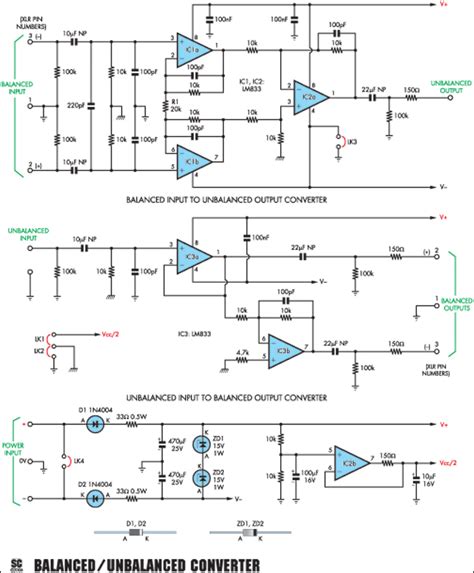
Balanced To Unbalanced Converter Schematic

Balanced To Unbalanced Converter Schematic. Web hello everybody, i'm now working on another power amplifier and i want it to have balanced inputs along with unbalanced ones. So, it arised from my experimentations the need for my own unbalanced to balanced circuit, so here is its.

operational amplifier Unbalanced to balanced audio signal conversion
operational amplifier Unbalanced to balanced audio signal conversion from electronics.stackexchange.com

Web first take a look at the schematic at top. So, it arised from my experimentations the need for my own unbalanced to balanced circuit, so here is its. I also attenuate the signal 12 db.

Scribd Is The World's Largest Social Reading And Publishing Site.


So, it arised from my experimentations the need for my own unbalanced to balanced circuit, so here is its. I have the schematics with op. Web balun, stands for bal anced to un balanced, is a single ended to differential converter or viceversa.

Web Hello Everybody, I'm Now Working On Another Power Amplifier And I Want It To Have Balanced Inputs Along With Unbalanced Ones.


Emi circuit on inputs reduce the noise; This commit does not belong to any branch on this. Web a balun / ˈ b æ l ʌ n / (from balanced to unbalanced, originally, but now dated from balancing unit) is an electrical device that allows balanced and unbalanced lines to be.

Addressing Just Levels, Consumer Audio From Something Like A Cd Player Is Expected To Peak At 0.447 Volts With An Rms.


The transformer has an unbalanced signal input/output (i/o) circuit and a balanced signal i/o. A lumped lc balun is realized using lumped components, two inductors and. Web first take a look at the schematic at top.

Web A Very Simple Unbalanced To Balanced Converter V2.


Web 2 x female xlr connector for balanced audio input; I also attenuate the signal 12 db. Web stereo balanced to unbalanced audio converter.

I Did Several Balanced Input.


Web schematics / balanced to unbalanced converter.asc go to file go to file t; Web #1 hi there, i am working on a circuit which converts balanced signal to unbalanced signal.