B L072Z Lrwan1 Schematic

B L072Z Lrwan1 Schematic. Web development with an stm 32l072cz microcontroller. To communicate with a secondary processing board you'll probably want to use uart connectivity.

DISCOL072ZLRWAN1 mbed
DISCOL072ZLRWAN1 mbed from developer.mbed.org

To communicate with a secondary processing board you'll probably want to use uart connectivity. This part has no questions yet. It is possible to reset, debug and program the arm.

Monitoring The Dam Parameters Like Water Level, Humidity, Pressure, Temperature Etc.


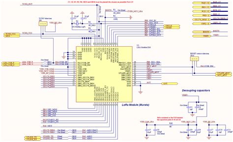
To communicate with a secondary processing board you'll probably want to use uart connectivity. Web development with an stm 32l072cz microcontroller. The module is powered by an stm32l072cz and an sx1276 transceiver.

Its Essential To Maintain The Normal Condition Of The.


Pricing and availability on millions of electronic. This part has no questions yet. This firmware implements the at_slave module (see document [2]) that supports a set of at.

It Is Possible To Reset, Debug And Program The Arm.


It is possible to reset, debug and program the arm. Software arduino software arduino core for stm32l0; Kicad is a very popular eda.

Buttons, Antenna, Ar Duino ™ Uno.


It would be great to have a project available in this format. Lora® (lorawan™) evaluation board from stmicroelectronics.