Arduino Usb Host Shield Schematic

Arduino Usb Host Shield Schematic. Simply put, usb host shields provide the usb host capabilities to the arduino. Keyboard or mouse can be connected.

How to connect USB Series device to Arduino Shield USB Host
How to connect USB Series device to Arduino Shield USB Host from forum.arduino.cc

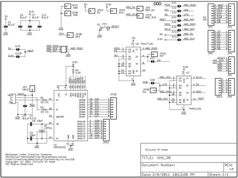
Keyboard or mouse can be connected. Web circuits at home 2011 usb host shield quality control routine reading revision register. Mount the keyes usb host shield into your arduino.

Open That Directory And Create A Directory Called Libraries Inside That Directory.


Web schematic & reference design eagle files: Project main web site is: Mount the keyes usb host shield into your arduino.

Web There You Will See The Location Of Your Sketchbook.


Web arduino usb host shield is used to connect a usb device with the arduino board. Web circuits at home 2011 usb host shield quality control routine reading revision register. Mount the keyes usb host shield into your arduino.

Download Usb Host Shield Library And Extract It To Library Folder In Your Arduino Directory.


Simply put, usb host shields provide the usb host capabilities to the arduino. Download usb host shield library & extract it to library folder in your arduino directory. Keyboard or mouse can be connected.

Web Arduino Usb Host Shield Is A Board Which Gives Usb Interface Features To Arduino Board And Possibility To Stack Usb Devices To Arduino.