Arduino Uno Schematic R3

Arduino Uno Schematic R3. Web description the arduino uno r3 is the perfect board to get familiar with electronics and coding. Web full schematic revised for compatibility with kicad v5.

Build an Arduino Uno R3 From Scratch Part 1
Build an Arduino Uno R3 From Scratch Part 1 from rheingoldheavy.com

Web full schematic revised for compatibility with kicad v5. This type of wire is strong enough to handle the current. Web home wiring diagram arduino uno r3 schematic arduino uno r3 schematic by christ joe | january 13, 2023 0 comment the arduino uno r3.

All Symbols Should Load From Correct Libraries, Either Project Associated To A Locally Included Library Or To.


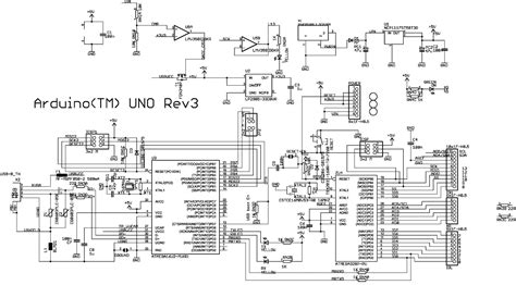
R a r d u i n o s a d i s c l a i m s a l l o t h e r a w a. Web home wiring diagram arduino uno r3 schematic arduino uno r3 schematic by christ joe | january 13, 2023 0 comment the arduino uno r3. Web an arduino uno r3 schematic ch340 is a schematic, or diagram, showing all of the electrical connections for the arduino uno r3 microcontroller.

Web Full Schematic Revised For Compatibility With Kicad V5.


Web wiring diagram opensource arduino uno r3 schematics opensource arduino uno r3 schematics by christ joe | february 14, 2021 0 comment open. This type of wire is strong enough to handle the current. Web r e f e r e n c e u d e s i g n s a r e p r o v i d e d a s i s a n d w i t h u a l l t f a u l t s.

Web In Addition To Using This Project As Kicad Template In The Formal Sense You Might Also Choose To Start A Project In Your Own Way And Then Choose Append Schematic Sheet.


Web the official arduino uno r3 schematic this reference design are provided “as is” & “with all faults. Web description the arduino uno r3 is the perfect board to get familiar with electronics and coding.