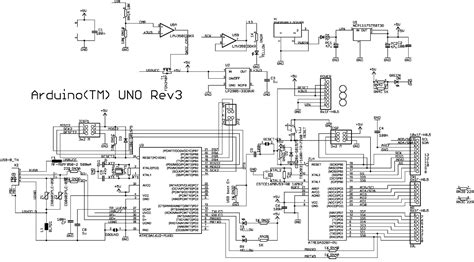
Arduino Uno Schematic Diagram

Arduino Uno Schematic Diagram. R a r d u i n o s a d i s c l a i m s a l l o t h e r a w a. Web wiring diagram arduino uno r3 schematic arduino uno r3 schematic by christ joe | january 13, 2023 0 comment the arduino uno r3 schematic is an.

Schematic diagram of Arduino UNO board connected with HCSR04 and LM35
Schematic diagram of Arduino UNO board connected with HCSR04 and LM35 from www.researchgate.net

The components, the connections, and. Web r e f e r e n c e u d e s i g n s a r e p r o v i d e d a s i s a n d w i t h u a l l t f a u l t s. Web the arduino uno pinout guide includes information you need about the different pins of the arduino uno microcontroller and their uses:

Web Arduino Uno Pinout Diagram.


Web the arduino uno pinout guide includes information you need about the different pins of the arduino uno microcontroller and their uses: R a r d u i n o s a d i s c l a i m s a l l o t h e r a w a. Here is a detailed arduino uno pinout diagram with colored labels and legends to help you easily identify the functionalities that each pin can.

An Arduino Uno Schematic Is The Blueprint Of The Board That Is Used.


An arduino uno circuit diagram typically has three main components: Web wiring diagram arduino uno r3 schematic arduino uno r3 schematic by christ joe | january 13, 2023 0 comment the arduino uno r3 schematic is an. The arduino uno board is divided into digital pins, analog pins and power pins.

Web R E F E R E N C E U D E S I G N S A R E P R O V I D E D A S I S A N D W I T H U A L L T F A U L T S.


Web components of an arduino uno circuit diagram. There are pins with secondary functions as listed below. Web here the arduino uno schematic diagram (click to enlarge):

Power Supply, Analog And Digital Pins And.


Web the arduino uno is really a microcontroller board based on the atmega328. It has 14 digital input/output pins (of which 6 may be employed as pwm outputs), 6 analog inputs,. Web arduino uno pinout description.

Web I Redistributed The Original Arduino Uno Schematic To Be More Readable Below.


Web the arduino uno is an important piece of technology for hobbyists and professionals alike. I advise you to download it and open the pcb and schematic using eagle cad. The arduino uno is really a microcontroller board based on the atmega328.