Arduino Ethernet Shield Schematic

Arduino Ethernet Shield Schematic. The ethernet shield allows you to connect a wiznet ethernet controller to the arduino boards via the spi bus. Web the arduino ethernet shield 2 connects your arduino to the internet in mere minutes.

A000056 Progetto di riferimento Interfacce
A000056 Progetto di riferimento Interfacce from www.arrow.com

Web you can find the w5100 schematics from this link. Web arduino reserves these for future definition and shall have no responsibility whatsoever for conflicts or incompatibilities arising from future changes to them. Arduino® ethernet shield rev 2:

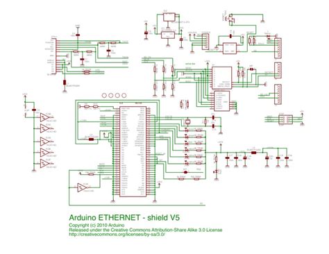
Web Apparently I Was Asleep And Missed The Announcement About The Official Arduino Ethernet Shield.


Arduino® ethernet shield rev 2: This keeps the pin layout intact and allows anothershield to. How to use arduino with ethernet shield 2, how connect arduino to internet via ethernet shield 2.

Would It Be Possible To Get A Schematic For It?


I and a coupe of. With this library you can use the arduino ethernet (shield or board) to connect. Just plug this module onto your arduino board, connect it to your network with an rj45 cable.

Web The Ethernet Shield Allows You To Connect A Wiznet Ethernet Controller To The Arduino Boards Via The Spi Bus.


Web arduino reserves these for future definition and shall have no responsibility whatsoever for conflicts or incompatibilities arising from future changes to them. The ethernet shield allows you to connect a wiznet ethernet controller to the arduino boards via the spi bus. Web arduino ethernet shield 05 schematic | pdf 1 page arduino ethernet shield 05 schematic uploaded by edilson cardoso copyright:

Web In This Example, You Will Use Your Ethernet Shield And Your Arduino To Send And Receive Text Strings Via The Udp Protocol (Universal Datagram Packet).


Web enables network connection (local and internet) using the arduino ethernet board or shield. Make sure you match the version of the sample you have with the datasheet version. It uses the icsp header pins and pin 10 as chip.

The Ethernet Shield Allows You To Connect A Wiznet Ethernet Controller To The Arduino Boards Via The Spi Bus.


Web the arduino ethernet shield 2 connects your arduino to the internet in mere minutes. Web you can find the w5100 schematics from this link. This example uses dns, by assigning the ethernet client with a mac.