Arduino Board Schematic Diagram

Arduino Board Schematic Diagram. Understanding schematic and breadboard diagrams. Web this is the schematic diagram of the arduino pro mini board manufactured by sparkfun.

Introduction to Arduino Uno The Engineering Projects
Introduction to Arduino Uno The Engineering Projects from www.theengineeringprojects.com

While all arduino boards differ from each other, there are several key components that can be found on practically any arduino. Web this is the schematic diagram of the arduino pro mini board manufactured by sparkfun. Web arduino schematic maker:

One Of The Last Significant Steps In A Project Is Designing The Custom Pcb.


Web the arduino uno pinout guide includes information you need about the different pins of the arduino uno microcontroller and their uses: By christ joe | january 13, 2023. Web diy arduino schematic board and checklist.

Web Arduino Schematic Maker:


There are also other good manufacturers of arduino pro mini boards and their. Web the arduino uno is an important piece of technology for hobbyists and professionals alike. For those who want to dig deeper into understanding the arduino uno board, i suggest you look into its schematic diagram:.

An Arduino Uno Schematic Is The Blueprint Of The Board That Is Used.


Web if you’re looking to get into working with arduino, one of the most important tools you need to understand is the arduino diagram. The arduino uno r3 schematic is an essential tool for any arduino enthusiast. Arduino diagrams are essential for.

While All Arduino Boards Differ From Each Other, There Are Several Key Components That Can Be Found On Practically Any Arduino.


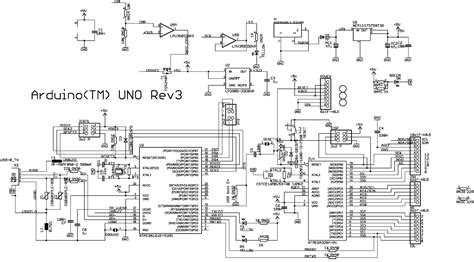
Web arduino uno rev3 schematic diagram. Power supply, analog and digital pins and. Web this is the schematic diagram of the arduino pro mini board manufactured by sparkfun.

Understanding Schematic And Breadboard Diagrams.


Web these diagrams show how all of the components of a project fit together and how the arduino is connected to the other components. Web schematic diagram you may remember, if you studied electronics as part of your science course at school, that there is a specific way of drawing circuit diagrams. Web an arduino tutorial for enthusiasts starting out in the world of arduino.