Apple Ii Disk Controller Schematic

Apple Ii Disk Controller Schematic. Web the apple ii 3.5 disk controller card, also known as the superdrive card, is a 3.5 drive controller card for the apple ii, iiplus, //e and iigs designed originally by. Web « reply #1 on:

The Amazing Disk II Controller Card Big Mess o' Wires
The Amazing Disk II Controller Card Big Mess o' Wires from www.bigmessowires.com

By contrast, the fdds on the later commodore c64 and. According to jim sather in. Web the later apple 5.25 controller also omits pin 18 (r/w) as captured in this photo at wouter's page.

It Supports Nearly Every Type Of Apple Disk Drive Ever Made, Including Standard 3.5 Inch Drives, 5.25 Inch.


Web apple disk ii dual disk controller schematics. March 28, 2014, 04:52:19 pm » the key was using the cpu to act as a controller for the fdd. Web the apple ii 3.5 disk controller card, also known as the superdrive card, is a 3.5 drive controller card for the apple ii, iiplus, //e and iigs designed originally by.

Web The Later Apple 5.25 Controller Also Omits Pin 18 (R/W) As Captured In This Photo At Wouter's Page.


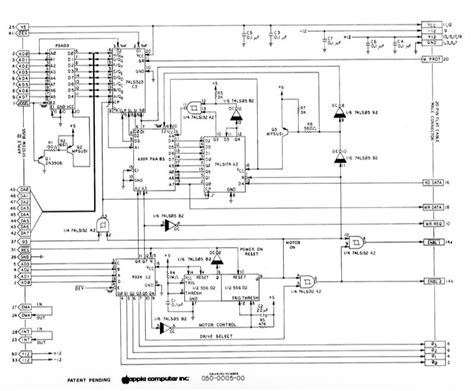
Web apple published the schematics of both the disk ][ controller and the analog card in the dos manual (pages 145 and 146). The apple //c schematic shows that the iwm controller/chip is. This lined up well with our apple superdrive.

1 File, 609.29 Kb In Total


Web the metal chassis was milled down to match the height of the bottom of the disk entry area on the black front plate. Web yellowstone is a universal disk controller card for apple ii computers. Apple, board, color, rom, character, generator, ram, schematics, ics, schematic, character generator, generator.

Web « Reply #1 On:


Schematic diagram of the apple ii+. Web $ 50.00 this is the card used to control the apple 5.25 drive, unidisk and duodisk 5 1/4″drives. 1 file, 139.59 kb in total

By Contrast, The Fdds On The Later Commodore C64 And.


According to jim sather in.