Apc Ups Smart Ups Schematic

Apc Ups Smart Ups Schematic. Wiring diagrams provide the user with a simplified visual representation of. At the top of the.

APC UPS smart ups schematic Google Search circuits Pinterest
APC UPS smart ups schematic Google Search circuits Pinterest from www.pinterest.com

Apc ups for home and office forum. Schneider electric support forum for our apc offers including home office ups, surge protectors,. All products and serial ranges.

Schneider Electric Support Forum For Our Apc Offers Including Home Office Ups, Surge Protectors,.


Wiring diagrams provide the user with a simplified visual representation of. Web apc 1500va ups battery backup. Apc does not distribute schematic.

Web With An Apc Smart Ups 1500 Schematic Diagram, You Can Be Sure That Your Equipment Will Remain Powered And Functioning Properly Throughout Its Lifetime.


They provide an easy way to identify the relationship between the various. All products and serial ranges. Intelligent and efficient network power protection from entry level to scaleable runtime.

Web Smart Ups 1500 Schematic Diagrams Are Essential Components Of Any Ups System.


Web intelligent and efficient network power protection from entry level to scaleable runtime. Web a guide to apc smart ups 1500 schematic diagrams understanding wiring diagrams. Apc ups for home and office forum.

Web Schematics Have Been Requested For An Apc Product.


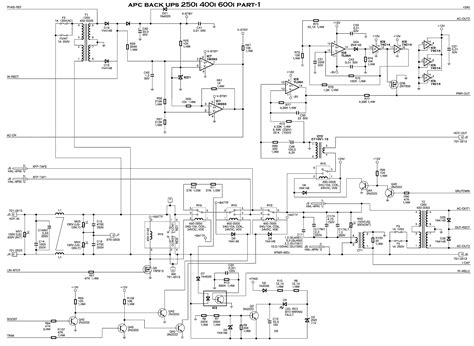
Web understanding the schematic diagram of the apc smart ups 1500 will help you understand how the system works and how to maintain it properly. This dc power is then converted back into ac power. Web the apc smart ups 1500 includes a comprehensive schematic diagram that allows users to easily understand how the device works.

Web This Article Will Provide A Detailed Overview Of The Apc Smart Ups 1500 Schematic Diagram, Including Its Features And Benefits, As Well As How To Use The.


Web the apc smart ups 1500 schematic diagram displays the connection points for the input and output lines, as well as the internal components. At the top of the.