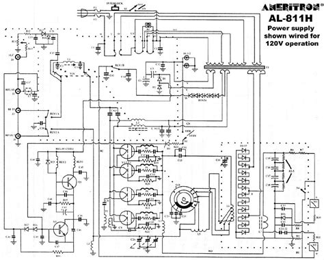
Ameritron Al 811H Schematic. It was intended to be a minimal cost reasonable power level ssb and cw only amplifier. It operates in class ab2 for.

The modern components are rated to. 160, 80, 40, 30, 20, 17 and 15 meter bands. 160, 80, 40, 30, 20,.
Ameritron Al 811H Schematic. It was intended to be a minimal cost reasonable power level ssb and cw only amplifier. It operates in class ab2 for.

The modern components are rated to. 160, 80, 40, 30, 20, 17 and 15 meter bands. 160, 80, 40, 30, 20,.
It operates in class ab2 for. The modern components are rated to. 160, 80, 40, 30, 20,.
160, 80, 40, 30, 20, 17 and 15 meter bands. It was intended to be a minimal cost reasonable power level ssb and cw only amplifier. Web page 1 overview i designed the al811 series many years ago.