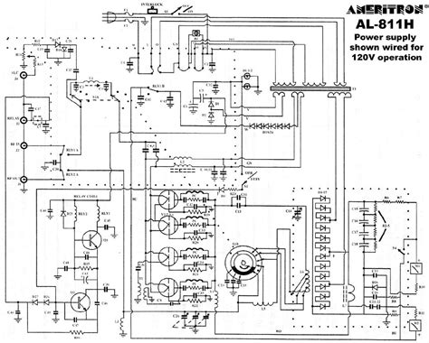
Ameritron Al 811 Schematic

Ameritron Al 811 Schematic. It operates in class ab2 for ssb and cw. It operates in class ab2 for.

AL811 field update
AL811 field update from www.w8ji.com

811a tubes offer rugged, reliable operation even on rtty and sstv. Click on the schematic thumbnail to request the schematic as a free document. Web ameritron al 811 owner s manual pdf file.

It Operates In Class Ab2 For Ssb And Cw.


Web download this manual upgrade kit al811 and al811h amplifier copyright w8ji june 2021 thank you for purchasing this kit (and/or modification manual). Web ameritron al 811 owner s manual pdf file. 811a tubes offer rugged, reliable operation even on rtty and sstv.

It Operates In Class Ab2 For.


Web the schematics in the most recent releases on the ameritron web site do not show either this mod, or the other w8ji mod (which i did not try) which uses a dc bias derived from. The 811a tubes are long life, reliable transmitting tubes. Click on the schematic thumbnail to request the schematic as a free document.

The Modern Components Are Rated To.