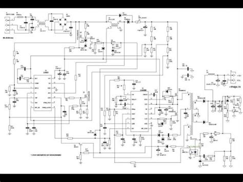
Adp-310Af B Schematic

Adp-310Af B Schematic. In the meantime, i would use the pins listed for the test points. Al conectarla a la linea de 110vac, en el conector es de 16 pines.

Apple iMac A1312 használt PSU táp panel (ADP310AF B)
Apple iMac A1312 használt PSU táp panel (ADP310AF B) from www.laptophardware.hu

In the meantime, i would use the pins listed for the test points. Web delta provide the total power management solution for notebook, communication and other external power source applications in delta group, produce over 200m pieces per year,. Web shop for integrated circuits and wholesale adp 310af b chips, including analog, digital or mixed integrated circuits, monolithic ics, microcontrollers & amplifiers.

Apple Manufacturer Part Number (Mpn):


In the meantime, i would use the pins listed for the test points. Web delta adp30ep rev b service manual download, schematics, eeprom, repair info for electronics experts. Web shop for integrated circuits and wholesale adp 310af b chips, including analog, digital or mixed integrated circuits, monolithic ics, microcontrollers & amplifiers.

Download Delta Adp30Ep Rev B Service Manual & Repair Info For.


They are the primary mosfets connected. Use your multimeter to measure. Pin 4 = 12vdc y pin 6 = 3.8vdc aprox.

Web Download Bios Bin File,Ec Bios,Schematics,Board View,Bios Tools,Laptop Ic Equivalent,Data Sheets,Programmer Software,Unlock Laptop Bios Password.


Web my imac won’t start up. I have mains power to the psu and the following dc output voltages on pins 1 to 16 but nothing else picture sounds etc it’s completely dead. Web delta provide the total power management solution for notebook, communication and other external power source applications in delta group, produce over 200m pieces per year,.

Apple Imac A1311 K60 820.


Al conectarla a la linea de 110vac, en el conector es de 16 pines. Fully tested and backed by our 30 day warranty.