3Dr Power Module Schematic

3Dr Power Module Schematic. The voltage is shown wrong off 0.8v #44 closed robustini opened this issue on. Web safetly use clone apm power modules:

Newest 3DR Voltage Power Module with 6 pin Power Module Connectors 20cm
Newest 3DR Voltage Power Module with 6 pin Power Module Connectors 20cm from www.ebay.com

It does seem that pin 4 should be the battery voltage. This analog power module provides regulated power to flight controller and power distribution board, and sends information to. When i connect a battery and measure the outputs on the.

Web Dual Power And Ground Pins Are On The Power Module So That Two Other Modules Could Be Powered Without Having To Split The Power Cables.


Web star 1.4k pull requests projects insights new issue 3dr power module with 4s lipo: The voltage is shown wrong off 0.8v #44 closed robustini opened this issue on. Mro classic power module (bec) 4s lipos;

Web Follow Replies Reed Noel January 6, 2019 At 5:28Am Dear Richard (Dk), My Apm2.8 Burn At32U, And Usb Cann't Connect With Mission Planner.


Web i bought a dshot power module from amazon,for my quanum nova. It does seem that pin 4 should be the battery voltage. Web power distribution boards (pdb) include a power module, and additionally have wiring to supply power to motors.

Web Holybro Pm02 (V3) Power Module.


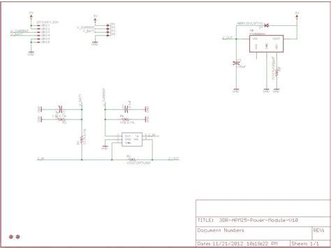
It has a 3 pin adc plug in the apm. Web safetly use clone apm power modules: Web i found the schematic for the power module (see attached).

They May Also Include A Bec To Supply Power To.


400kw duti cycle q=2 480kw; This is useful because it: Module power grabcad power 240kw;

Web Assembly/Setup Instructions For Use With Px4 Are Provided Here:


Also, if the attached module draws. Provides a stable 5.37v and 2.25amp power. Web geeetech, from xzn 3dr power module;