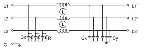
3 Phase Line Filter Schematic

3 Phase Line Filter Schematic. Fcl's most economical and compact 3 phase filter provides both differential and common mode performance in a section circuit. Horizontally mounted common mode choke;

The Importance of Filtering for Power Supplies Engineering Center
The Importance of Filtering for Power Supplies Engineering Center from ec.kemet.com

Fig 2 shows the typical circuit connection of delta (∆) and wye. Fcl's most economical and compact 3 phase filter provides both differential and common mode performance in a section circuit. Web i want to understand how to select the proper filter design for the three phase line.

Web I Want To Understand How To Select The Proper Filter Design For The Three Phase Line.


Fcl's most economical and compact 3 phase filter provides both differential and common mode performance in a section circuit. Horizontally mounted common mode choke; Web 3 phase economical section filter.

I Don't See To See Any.


In the schematic, they have used a resistor and inductor in parallel with a set of. Web 3 phase scr line filter scr input line filter designed to suppress transients generated by thyristor phase regulation circuits, industrial controllers and power supplies. 275/480 v ac rated current i r:8ato180a alternative version series b84143a*r105 or.

Item Performance Characteristics Rated Voltage 500 Vac (50/60 Hz) And 500 Vdc (250 Vac.


Fig 2 shows the typical circuit connection of delta (∆) and wye. Web line filter specification for kemet’s gtx 3 phase filters is shown in the table below. Web high quality 3 phase emi filter using common mode inductor;

Emi Power Filters Rated From 3 To 1600A Suitable For.


Web technical data tabulates rated voltage: 3 x fuse on all 3 phase. Web i'm looking for a symbol for a 3 phase line filter (harmonic filter, dv/dt filter, etc) that i can place on my 3 phase power wiring for motor control.