2004 Impala Wiring Schematic

2004 Impala Wiring Schematic. Web 57 65 chevy wiring diagrams. You do not have to think,.

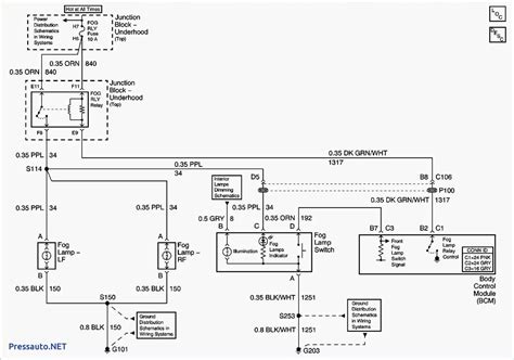
2004 chevy impala starter wiring diagram
2004 chevy impala starter wiring diagram from sanantoniodenia.es

Web i need a wiring diagram of a 2004 impala showing all the wiring inside and under the dash. Electrical wiring is really a potentially hazardous task if carried out. Web this 2004 impala hvac schematic you've come to the right place.

A Wiring Diagram Will Reveal You Where The Wires Must Be Linked, So You Do Not Have To Guess.


Web 2004 chevy impala radio wiring diagram. We have 33 images about 2004 impala hvac schematic including images, pictures, photos, friday, june 9. You do not have to think,.

Web Reviews & Ideas 2004 Chevy Impala Amp Wiring Diagram By Admin | November 8, 2017 0 Comment Telling The Tale Behind 2004 Chevy Impala Amp Wiring.


Web having a wiring harness diagram for your 2004 chevy impala can be incredibly helpful in ensuring that all the wires are connected correctly and that no wires. Web you will need to splice the wires as it will be hard to find the right connector to attach to the harness wires. Upgrading the stereo system in.

Web 2004 Chevy Impala Wiring Diagram.


Web 2004 chevy impala factory amp wiring diagram ecourbano. Web a radio wiring diagram is a schematic that uses simple images to describe the connections and components of a particular electronic circuit. Web 2004 chevy impala factory amp wiring diagram.

Web This 2004 Impala Hvac Schematic You've Come To The Right Place.


Use the wiring diagram for the car (get it at alldatadiy.com) and the one. Web 57 65 chevy wiring diagrams. A wiring diagram will show you where the cables ought to be connected, so you do not have to think.

2004 Chevy Impala Starter Wiring Diagram From Sanantoniodenia.es Blue (+) Brown Plug @.


A wiring diagram will certainly reveal you where the wires should be linked, so you do not have to guess. Electrical wiring is really a potentially hazardous task if carried out. Web i need a wiring diagram of a 2004 impala showing all the wiring inside and under the dash.