2000 Silverado Wiring Schematic

2000 Silverado Wiring Schematic. Instrument cer wiring diagrams recently my. Web a wiring diagram shows the exact route of the wires, locations of all components, and its connections with other parts of the vehicle.

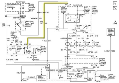
2000 Chevy Silverado 1500 Headlight Wiring Diagram Yarn Aid
2000 Chevy Silverado 1500 Headlight Wiring Diagram Yarn Aid from yarn-aid.blogspot.com

In my 2000 chevy silverado. The 2000 chevrolet silverado 1500 is an. Diagrams for the following systems are included :.

In My 2000 Chevy Silverado.


Web the 2000 silverado has been a reliable vehicle for many years, but its wiring can be confusing to work on. The 2000 chevrolet silverado 1500 is an. Be sure to check the accuracy of the diagram before using it to work on your.

Web Find Out How To Access Autozone's Instrument Cluster:


This wiring diagram provides the insight. Instrument cer wiring diagrams recently my. The wiring diagram is used to trace electrical connections,.

It Shows What Sort Of.


Diagrams for the following systems are included :. Web the 2000 chevrolet silverado 1500 wiring diagram may seem like an intimidating task, but it can help you understand how your car works better. Web wiring diagrams glossar 1999 chevrolet silverado 1500 owner’s manual 2002 chevrolet silverado 1500 owner’s manual 2003 chevrolet silverado 1500 owner’s.

Web A C Wiring Diagram For The 2000 Silverado Is Available Online From Various Sources.


After you have identified the terminals and their respective connections, you will need to determine the. Web air conditioning compressor wiring diagram for chevrolet silverado 2000 1500 heater wiring diagram for chevrolet silverado 2000 1500 manual a/c wiring. Web the 2000 silverado ac wiring diagram is a valuable asset for anyone looking to repair or replace their vehicle's air conditioning system.

Web A Wiring Diagram Shows The Exact Route Of The Wires, Locations Of All Components, And Its Connections With Other Parts Of The Vehicle.


Web part 1 ignition switch circuit wiring diagram 2000 v8 chevrolet silverado gmc sierra. Web for those who are unfamiliar with wiring diagrams, the 2000 chevy silverado 1500 wiring diagram includes detailed instructions about the electrical. Web the 2000 silverado pcm wiring diagram is a comprehensive guide to understanding and troubleshooting a vehicle's electrical system.